您當前的位置:首頁 > 產品中心 > 無極變速機
詳細介紹:
mb行星無極變速機主要由壓緊的主動輪裝置、摩檫傳動機構、調速控制機構組成。MB系列行星摩擦式機械無級變速器主要由壓緊的主動裝置、摩擦傳動機構、調速控制機構組成。mb行星無極變速機是帶錐度的主動輪和壓盤被一組碟形彈簧壓緊,輸入軸與主動輪用鍵聯接,而組成壓緊的主動裝置。一組帶錐度的行星摩擦輪內側夾在壓緊的主動輪和壓盤之間,外側夾在帶錐度的固定環和調速凸輪之間,而組成摩擦副;當壓緊的主動裝置運轉時,摩擦輪就做純滾動,由于固定環和調速凸輪不動,因此,摩擦輪在自轉的同時作公轉運轉,通過行星摩擦輪的中心軸及滑塊軸承而帶動行星架轉動。


mb行星無極變速機的安裝:
1、輸出軸在加裝聯軸器、皮帶輪、鏈輪等時,請勿重擊。應用輸出軸外端螺孔,旋入螺釘,壓入聯接件。
2、在基礎上安裝底座式無級變速機時應校準該機的安裝中心線標高,水平度及相聯部件的相關尺寸,校準傳動軸的同軸度不應超過聯軸器允許的范圍。
3、立式MB無級變速機可任意角度安裝,油位必須超過較高一側的油標中心線。
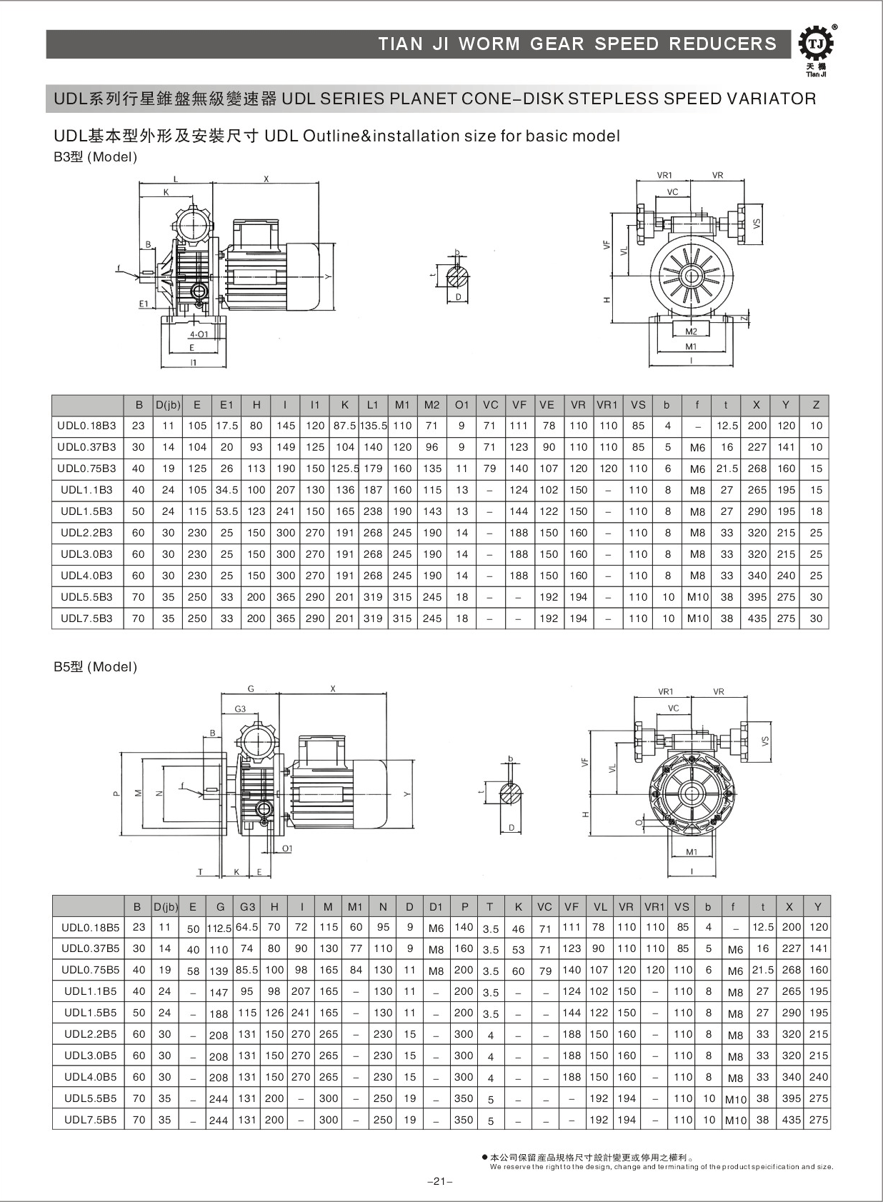
以下是mb行星無極變速機外形尺寸參數圖





















